Man Ship Low Profile LDH-70 Hatch 788x788mm. - Alüminyum - İçeriden/Dışarıdan Açılır

Döviz kurları anlık olarak TCMB verilerine göre hesaplanmıştır. Euro : 51.9980 Dolar : 43.7820

Marka : Man Ship
Stok Kodu : 34.345.886.571.1105
Üretici Kodu : DH-70-O
Birim : Adet
105.032,15
99.618,12
Havale / Eft Fiyatı :
96.629,58
Ürün stoklarda mevcut değildir.

"

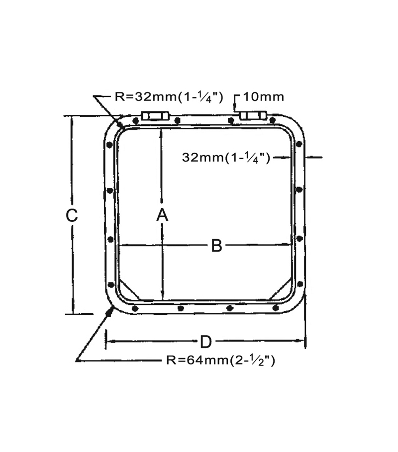
Düşük profilli hatch.
Gri akrilik cam. İçeriden ve/veya dışarıdan açılabilir. 180° açılabilme imkanı. 47 mm yükseklik. Tüm çerçeve ve menteşeler 316 paslanmaz çeliktir. Görünmeyen yüzeylerin paslanmazlığını sağlamak amacıyla elektro polisaj yapılmıştır. Tüm ağır şartlara dayanıklı neopren contası vardır.
Ebat (mm)
 
: 788x788
Montaj Ebadı A
 
: 788 mm
Montaj Ebadı B
Özellik bulunamadı.

Garanti Bankası

Ay Taksit Toplam
1 99.618,12 99.618,12
2 51.552,28 103.104,55
3 35.003,11 105.009,32
4 26.796,89 107.187,55
5 22.069,11 110.345,53
6 18.678,88 112.073,28
7 16.410,16 114.871,11
8 14.735,51 117.884,08
9 13.462,85 121.165,62

Türkiye İş Bankası

Ay Taksit Toplam
Dosya bulunamadı