Man Ship Low Profile LDH-60 Hatch 610x610mm. - Alüminyum - İçeriden/Dışarıdan Açılır

Döviz kurları anlık olarak TCMB verilerine göre hesaplanmıştır. Euro : 51.9980 Dolar : 43.7820

Marka : Man Ship
Stok Kodu : 34.345.886.571.1104
Üretici Kodu : DH-60-O
Birim : Adet
72.796,68
69.044,28
Havale / Eft Fiyatı :
66.972,95
Ürün stoklarda mevcut değildir.

"

Düşük profilli hatch.
Gri akrilik cam. İçeriden ve/veya dışarıdan açılabilir. 180° açılabilme imkanı. 47 mm yükseklik. Tüm çerçeve ve menteşeler 316 paslanmaz çeliktir. Görünmeyen yüzeylerin paslanmazlığını sağlamak amacıyla elektro polisaj yapılmıştır. Tüm ağır şartlara dayanıklı neopren contası vardır.
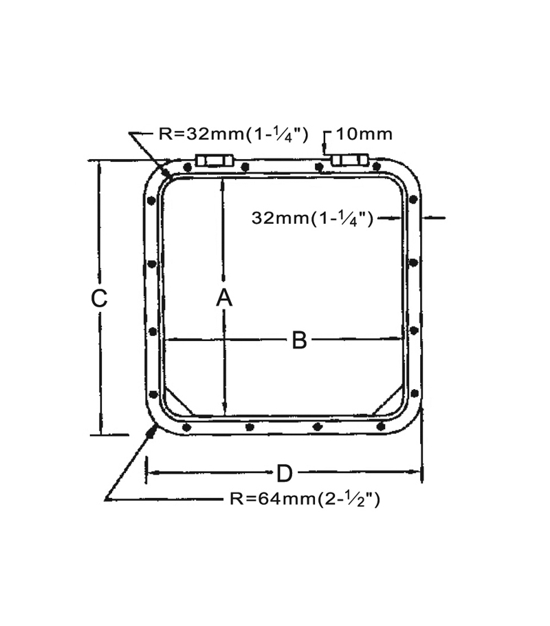
Ebat (mm)
 
: 610x610
Montaj Ebadı A
 
: 610 mm
Montaj Ebadı B
Özellik bulunamadı.

Garanti Bankası

Ay Taksit Toplam
1 69.044,28 69.044,28
2 35.730,34 71.460,68
3 24.260,29 72.780,86
4 18.572,64 74.290,57
5 15.295,87 76.479,33
6 12.946,14 77.676,82
7 11.373,71 79.615,97
8 10.213,03 81.704,22
9 9.330,96 83.978,62

Türkiye İş Bankası

Ay Taksit Toplam
Dosya bulunamadı