Man Ship Low Profile LDH-50 Hatch 495x495mm. - Alüminyum - İçeriden Açılır

Döviz kurları anlık olarak TCMB verilerine göre hesaplanmıştır. Euro : 51.9980 Dolar : 43.7820

Marka : Man Ship
Stok Kodu : 34.345.886.571.1006
Üretici Kodu : DH-50-I
Birim : Adet
56.100,50
53.208,72
Havale / Eft Fiyatı :
51.612,46

Ürünü satın almak için sitemize üye girişi yapmanız gerekiyor.

Üye Ol

Giriş Yap

"

Düşük profilli hatch.
Gri akrilik cam. İçeriden ve/veya dışarıdan açılabilir. 180° açılabilme imkanı. 47 mm yükseklik. Tüm çerçeve ve menteşeler 316 paslanmaz çeliktir. Görünmeyen yüzeylerin paslanmazlığını sağlamak amacıyla elektro polisaj yapılmıştır. Tüm ağır şartlara dayanıklı neopren contası vardır.
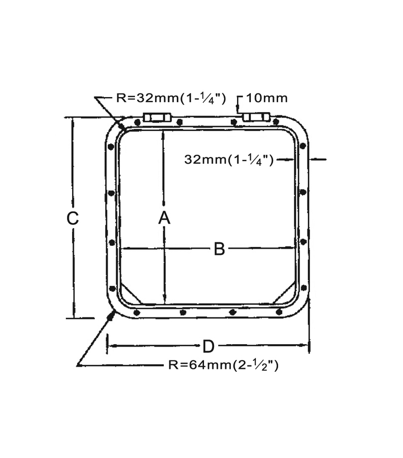
Ebat (mm)
 
: 495x495
Montaj Ebadı A
 
: 495 mm
Montaj Ebadı B
Özellik bulunamadı.

Garanti Bankası

Ay Taksit Toplam
1 53.208,72 53.208,72
2 27.535,46 55.070,91
3 18.696,10 56.088,31
4 14.312,94 57.251,76
5 11.787,70 58.938,52
6 9.976,89 59.861,35
7 8.765,11 61.355,75
8 7.870,63 62.965,06
9 7.190,87 64.717,82

Türkiye İş Bankası

Ay Taksit Toplam
Dosya bulunamadı