Man Ship Low Profile LDH-40 Hatch 419x419mm. - Alüminyum - İçeriden Açılır

Döviz kurları anlık olarak TCMB verilerine göre hesaplanmıştır. Euro : 51.9980 Dolar : 43.7820

Marka : Man Ship
Stok Kodu : 34.345.886.571.1005
Üretici Kodu : DH-40-I
Birim : Adet
45.102,64
42.777,76
Havale / Eft Fiyatı :
41.494,43

Ürünü satın almak için sitemize üye girişi yapmanız gerekiyor.

Üye Ol

Giriş Yap

"

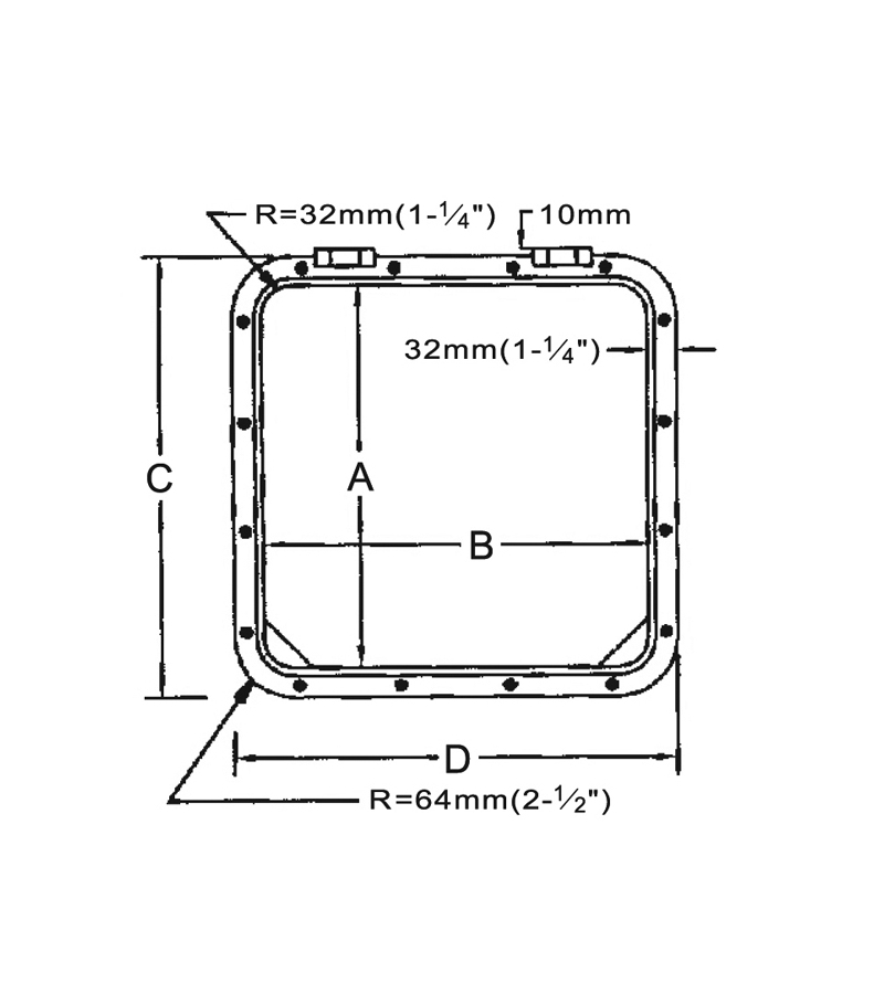
Düşük profilli hatch.
Gri akrilik cam. İçeriden ve/veya dışarıdan açılabilir. 180° açılabilme imkanı. 47 mm yükseklik. Tüm çerçeve ve menteşeler 316 paslanmaz çeliktir. Görünmeyen yüzeylerin paslanmazlığını sağlamak amacıyla elektro polisaj yapılmıştır. Tüm ağır şartlara dayanıklı neopren contası vardır.
Ebat (mm)
 
: 419x419
Montaj Ebadı A
 
: 419 mm
Montaj Ebadı B
Özellik bulunamadı.

Garanti Bankası

Ay Taksit Toplam
1 42.777,76 42.777,76
2 22.137,45 44.274,89
3 15.030,95 45.092,84
4 11.507,05 46.028,21
5 9.476,86 47.384,30
6 8.021,04 48.126,22
7 7.046,81 49.327,66
8 6.327,69 50.621,48
9 5.781,18 52.030,63

Türkiye İş Bankası

Ay Taksit Toplam
Dosya bulunamadı