Man Ship Low Profile LDH-30 Hatch 269x495mm. - Alüminyum - İçeriden Açılır

Döviz kurları anlık olarak TCMB verilerine göre hesaplanmıştır. Euro : 51.9980 Dolar : 43.7820

Marka : Man Ship
Stok Kodu : 34.345.886.571.1004
Üretici Kodu : DH-30-I
Birim : Adet
46.973,00
44.551,71
Havale / Eft Fiyatı :
43.215,16

Ürünü satın almak için sitemize üye girişi yapmanız gerekiyor.

Üye Ol

Giriş Yap

"

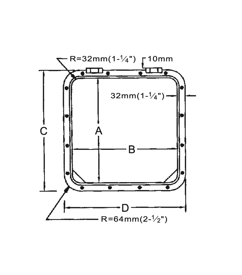
Düşük profilli hatch.Gri akrilik cam. İçeriden ve/veya dışarıdan açılabilir. 180° açılabilme imkanı. 47 mm yükseklik. Tüm çerçeve ve menteşeler 316 paslanmaz çeliktir. Görünmeyen yüzeylerin paslanmazlığını sağlamak amacıyla elektro polisaj yapılmıştır. Tüm ağır şartlara dayanıklı neopren contası vardır.
Ebat (mm)
 
: 369x495Montaj Ebadı A
 
: 369 mmMontaj Ebadı B
 
Özellik bulunamadı.

Garanti Bankası

Ay Taksit Toplam
1 44.551,71 44.551,71
2 23.055,47 46.110,93
3 15.654,26 46.962,79
4 11.984,24 47.936,95
5 9.869,85 49.349,27
6 8.353,66 50.121,97
7 7.339,03 51.373,23
8 6.590,09 52.720,70
9 6.020,92 54.188,29

Türkiye İş Bankası

Ay Taksit Toplam
Dosya bulunamadı