Man Ship Low Profile DH-60 Hatch 610x610mm. - Alüminyum - İçeriden/Dışarıdan Açılır

Döviz kurları anlık olarak TCMB verilerine göre hesaplanmıştır. Euro : 51.9980 Dolar : 43.7820

Marka : Man Ship
Stok Kodu : 34.345.886.571.0104
Üretici Kodu : LDH-60-O
Birim : Adet
83.393,68
79.095,04
Havale / Eft Fiyatı :
76.722,19
Ürün stoklarda mevcut değildir.

"

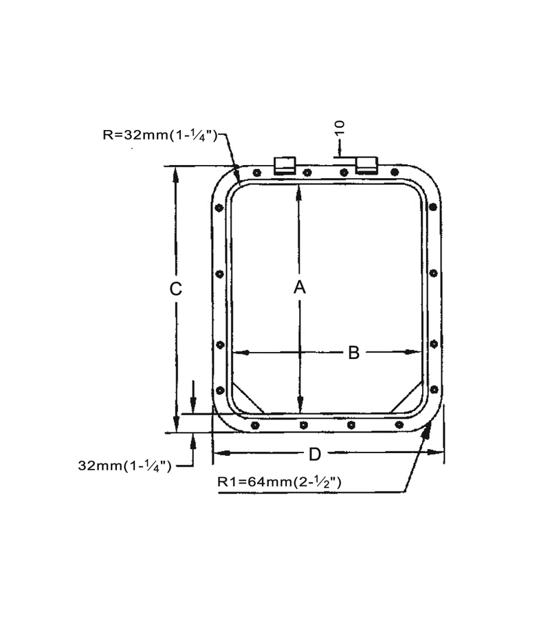
Düşük profilli hatch.
Gri akrilik cam. İçeriden ve/veya dışarıdan açılabilir. 180° açılabilme imkanı, 32 mm yükseklik. Tüm çerçeve ve menteşeler 316 paslanmaz çeliktir. Görünmeyen yüzeylerin paslanmazlığını sağlamak amacıyla elektro polisaj yapılmıştır. Tüm ağır şartlara dayanıklı neopren contası vardır.
Ebat (mm)
 
: 610x610
Montaj Ebadı A
 
: 610 mm
Montaj Ebadı B
Özellik bulunamadı.

Garanti Bankası

Ay Taksit Toplam
1 79.095,04 79.095,04
2 40.931,60 81.863,20
3 27.791,85 83.375,56
4 21.276,26 85.105,04
5 17.522,48 87.612,41
6 14.830,70 88.984,21
7 13.029,38 91.205,65
8 11.699,74 93.597,89
9 10.689,26 96.203,37

Türkiye İş Bankası

Ay Taksit Toplam
Dosya bulunamadı