Man Ship Low Profile DH-60 Hatch 610x610mm. - Alüminyum - İçeriden Açılır

Döviz kurları anlık olarak TCMB verilerine göre hesaplanmıştır. Euro : 51.9980 Dolar : 43.7820

Marka : Man Ship
Stok Kodu : 34.345.886.571.0007
Üretici Kodu : LDH-60-I
Birim : Adet
74.088,07
70.269,09
Havale / Eft Fiyatı :
68.161,02
Ürün stoklarda mevcut değildir.

"

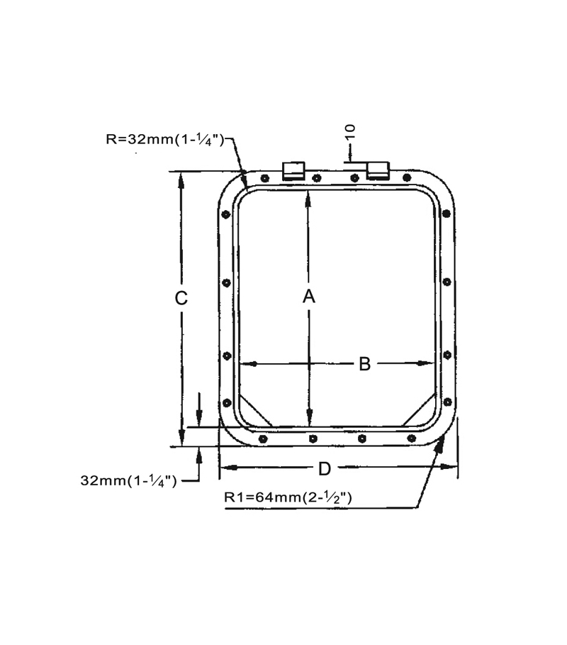
Düşük profilli hatch.
Gri akrilik cam. İçeriden açılımlı tip. 180° açılabilme imkanı. 32 mm yükseklik. Tüm çerçeve ve menteşeler 316 paslanmaz çeliktir. Görünmeyen yüzeylerin paslanmazlığını sağlamak amacıyla elektro polisaj yapılmıştır. Tüm ağır şartlara dayanıklı neopren contası vardır.
 Ebat (mm)
 
: 610x610
Montaj Ebadı A
 
: 610 mm
Montaj Ebadı B
Özellik bulunamadı.

Garanti Bankası

Ay Taksit Toplam
1 70.269,09 70.269,09
2 36.364,18 72.728,36
3 24.690,65 74.071,96
4 18.902,11 75.608,45
5 15.567,21 77.836,04
6 13.175,80 79.054,77
7 11.575,47 81.028,32
8 10.394,20 83.153,62
9 9.496,48 85.468,36

Türkiye İş Bankası

Ay Taksit Toplam
Dosya bulunamadı