Man Ship Low Profile DH-50 Hatch 495x495mm. - Alüminyum - İçeriden/Dışarıdan Açılır

Döviz kurları anlık olarak TCMB verilerine göre hesaplanmıştır. Euro : 51.9980 Dolar : 43.7820

Marka : Man Ship
Stok Kodu : 34.345.886.571.0103
Üretici Kodu : LDH-50-O
Birim : Adet
72.707,89
68.960,06
Havale / Eft Fiyatı :
66.891,26

Ürünü satın almak için sitemize üye girişi yapmanız gerekiyor.

Üye Ol

Giriş Yap

"

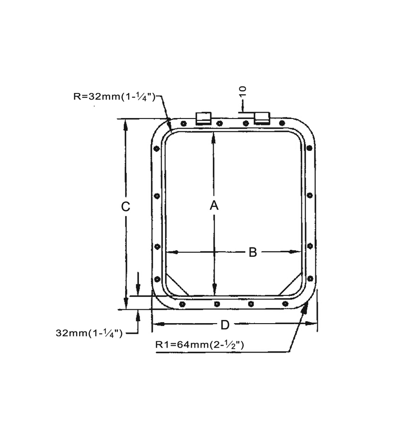
Düşük profilli hatch.
Gri akrilik cam. İçeriden ve/veya dışarıdan açılabilir. 180° açılabilme imkanı, 32 mm yükseklik. Tüm çerçeve ve menteşeler 316 paslanmaz çeliktir. Görünmeyen yüzeylerin paslanmazlığını sağlamak amacıyla elektro polisaj yapılmıştır. Tüm ağır şartlara dayanıklı neopren contası vardır.Ebat (mm)
 
: 495x495Montaj Ebadı A
 
: 495 mmMontaj Ebadı B
 
Özellik bulunamadı.

Garanti Bankası

Ay Taksit Toplam
1 68.960,06 68.960,06
2 35.686,76 71.373,52
3 24.230,70 72.692,09
4 18.549,99 74.199,96
5 15.277,21 76.386,05
6 12.930,35 77.582,07
7 11.359,84 79.518,85
8 10.200,57 81.604,56
9 9.319,58 83.876,19

Türkiye İş Bankası

Ay Taksit Toplam
Dosya bulunamadı