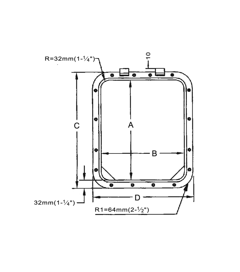
Man Ship Low Profile DH-50 Hatch 495x495mm. - Alüminyum - İçeriden Açılır

Döviz kurları anlık olarak TCMB verilerine göre hesaplanmıştır. Euro : 51.9980 Dolar : 43.7820

Marka : Man Ship
Stok Kodu : 34.345.886.571.0006
Üretici Kodu : LDH-50-I
Birim : Adet
63.713,84
60.429,62
Havale / Eft Fiyatı :
58.616,73

Ürünü satın almak için sitemize üye girişi yapmanız gerekiyor.

Üye Ol

Giriş Yap

"

Düşük profilli hatch.
Gri akrilik cam. İçeriden açılımlı tip. 180° açılabilme imkanı. 32 mm yükseklik. Tüm çerçeve ve menteşeler 316 paslanmaz çeliktir. Görünmeyen yüzeylerin paslanmazlığını sağlamak amacıyla elektro polisaj yapılmıştır. Tüm ağır şartlara dayanıklı neopren contası vardır.
Ebat (mm)
 
: 495x495
Montaj Ebadı A
 
: 495 mm
Montaj Ebadı B
Özellik bulunamadı.

Garanti Bankası

Ay Taksit Toplam
1 60.429,62 60.429,62
2 31.272,27 62.544,53
3 21.233,33 63.699,99
4 16.255,33 65.021,33
5 13.387,40 66.937,00
6 11.330,85 67.985,07
7 9.954,61 69.682,28
8 8.938,75 71.509,98
9 8.166,73 73.500,60

Türkiye İş Bankası

Ay Taksit Toplam
Dosya bulunamadı