Man Ship Low Profile DH-40 Hatch 419x419mm. - Alüminyum - İçeriden/Dışarıdan Açılır

Döviz kurları anlık olarak TCMB verilerine göre hesaplanmıştır. Euro : 51.9980 Dolar : 43.7820

Marka : Man Ship
Stok Kodu : 34.345.886.571.0102
Üretici Kodu : LDH-40-O
Birim : Adet
57.925,69
54.939,82
Havale / Eft Fiyatı :
53.291,63

Ürünü satın almak için sitemize üye girişi yapmanız gerekiyor.

Üye Ol

Giriş Yap

"

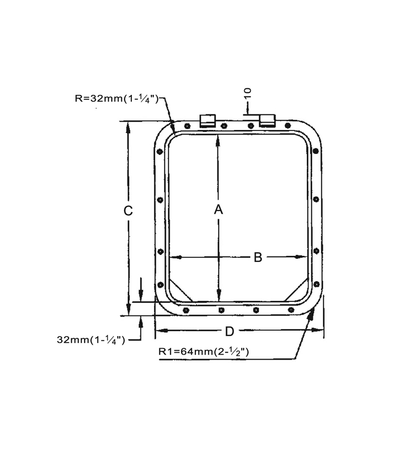
Düşük profilli hatch.
Gri akrilik cam. İçeriden ve/veya dışarıdan açılabilir. 180° açılabilme imkanı, 32 mm yükseklik. Tüm çerçeve ve menteşeler 316 paslanmaz çeliktir. Görünmeyen yüzeylerin paslanmazlığını sağlamak amacıyla elektro polisaj yapılmıştır. Tüm ağır şartlara dayanıklı neopren contası vardır.
Ebat (mm)
 
: 419x419
Montaj Ebadı A
 
: 419 mm
Montaj Ebadı B
Özellik bulunamadı.

Garanti Bankası

Ay Taksit Toplam
1 54.939,82 54.939,82
2 28.431,30 56.862,60
3 19.304,36 57.913,09
4 14.778,60 59.114,40
5 12.171,21 60.856,04
6 10.301,48 61.808,90
7 9.050,27 63.351,91
8 8.126,70 65.013,58
9 7.424,82 66.823,36

Türkiye İş Bankası

Ay Taksit Toplam
Dosya bulunamadı