Man Ship Low Profile DH-40 Hatch 419x419mm. - Alüminyum - İçeriden Açılır

Döviz kurları anlık olarak TCMB verilerine göre hesaplanmıştır. Euro : 51.9980 Dolar : 43.7820

Marka : Man Ship
Stok Kodu : 34.345.886.571.0005
Üretici Kodu : LDH-40-I
Birim : Adet
53.651,69
50.886,13
Havale / Eft Fiyatı :
49.359,55

Ürünü satın almak için sitemize üye girişi yapmanız gerekiyor.

Üye Ol

Giriş Yap

"

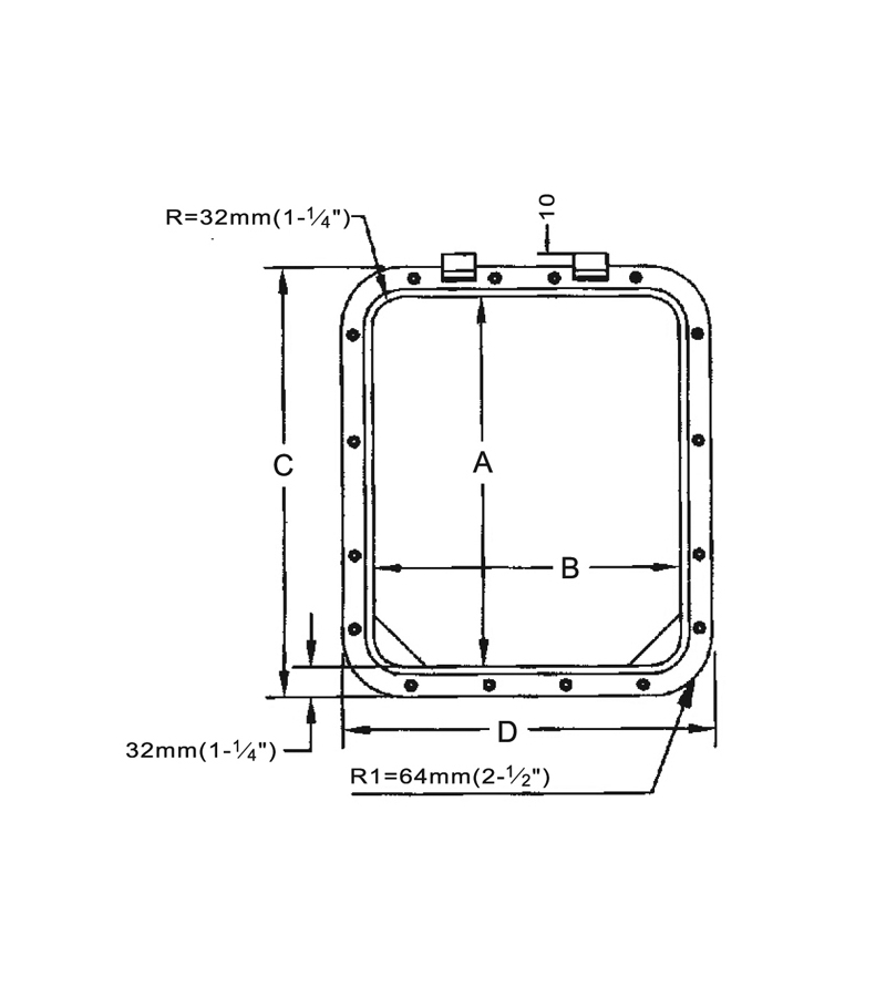
Düşük profilli hatch.
Gri akrilik cam. İçeriden açılımlı tip. 180° açılabilme imkanı. 32 mm yükseklik. Tüm çerçeve ve menteşeler 316 paslanmaz çeliktir. Görünmeyen yüzeylerin paslanmazlığını sağlamak amacıyla elektro polisaj yapılmıştır. Tüm ağır şartlara dayanıklı neopren contası vardır.

 

Ebat (mm)
 
          : 419x419Montaj Ebadı A
 
: 419 mmMontaj Ebadı B
 
Özellik bulunamadı.

Garanti Bankası

Ay Taksit Toplam
1 50.886,13 50.886,13
2 26.333,52 52.667,04
3 17.880,01 53.640,02
4 13.688,17 54.752,69
5 11.273,16 56.365,82
6 9.541,40 57.248,38
7 8.382,51 58.677,54
8 7.527,08 60.216,60
9 6.876,98 61.892,85

Türkiye İş Bankası

Ay Taksit Toplam
Dosya bulunamadı