Man Ship Low Profile DH-30 Hatch 269x495mm. - Alüminyum - İçeriden/Dışarıdan Açılır

Döviz kurları anlık olarak TCMB verilerine göre hesaplanmıştır. Euro : 51.9980 Dolar : 43.7820

Marka : Man Ship
Stok Kodu : 34.345.886.571.0101
Üretici Kodu : LDH-30-O
Birim : Adet
59.751,40
56.671,43
Havale / Eft Fiyatı :
54.971,29
Ürün stoklarda mevcut değildir.

"

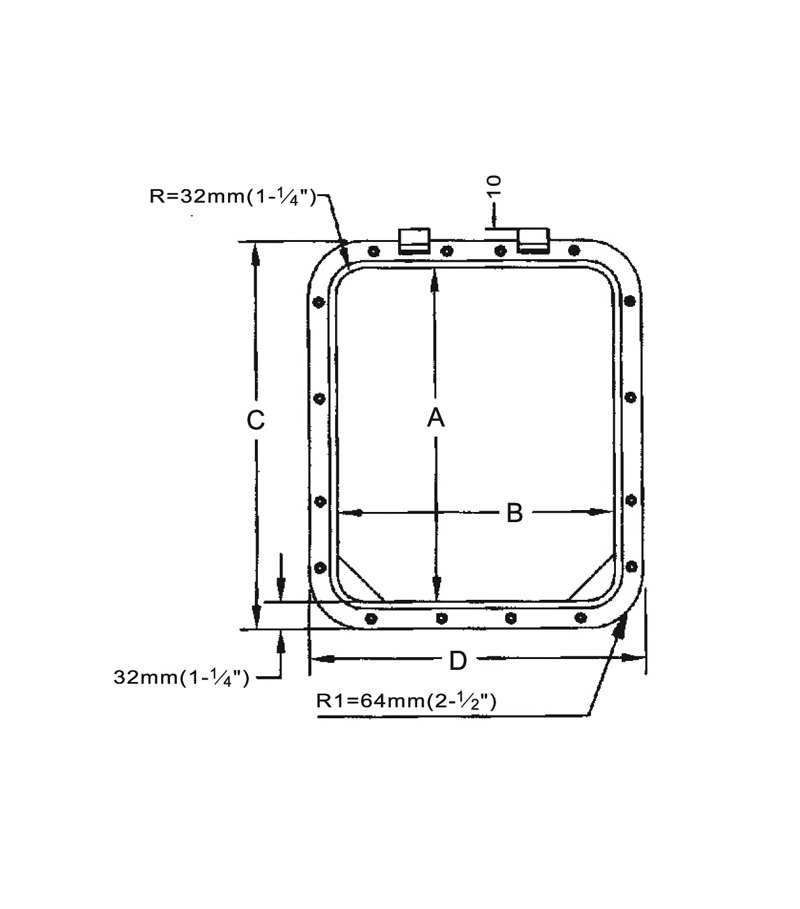
Düşük profilli hatch.
Gri akrilik cam. İçeriden ve/veya dışarıdan açılabilir. 180° açılabilme imkanı, 32 mm yükseklik. Tüm çerçeve ve menteşeler 316 paslanmaz çeliktir. Görünmeyen yüzeylerin paslanmazlığını sağlamak amacıyla elektro polisaj yapılmıştır. Tüm ağır şartlara dayanıklı neopren contası vardır.Ebat (mm)
 
: 369x495Montaj Ebadı A
 
: 369 mmMontaj Ebadı B
 
Özellik bulunamadı.

Garanti Bankası

Ay Taksit Toplam
1 56.671,43 56.671,43
2 29.327,41 58.654,81
3 19.912,81 59.738,42
4 15.244,40 60.977,58
5 12.554,82 62.774,11
6 10.626,17 63.757,01
7 9.335,52 65.348,66
8 8.382,84 67.062,69
9 7.658,84 68.929,52

Türkiye İş Bankası

Ay Taksit Toplam
Dosya bulunamadı