Man Ship Low Profile DH-10 Hatch 254x254mm. - Alüminyum - İçeriden Açılır

Döviz kurları anlık olarak TCMB verilerine göre hesaplanmıştır. Euro : 51.9980 Dolar : 43.7820

Marka : Man Ship
Stok Kodu : 34.345.886.571.0002
Üretici Kodu : LDH-10-I
Birim : Adet
39.181,56
37.161,90
Havale / Eft Fiyatı :
36.047,04

Ürünü satın almak için sitemize üye girişi yapmanız gerekiyor.

Üye Ol

Giriş Yap

"

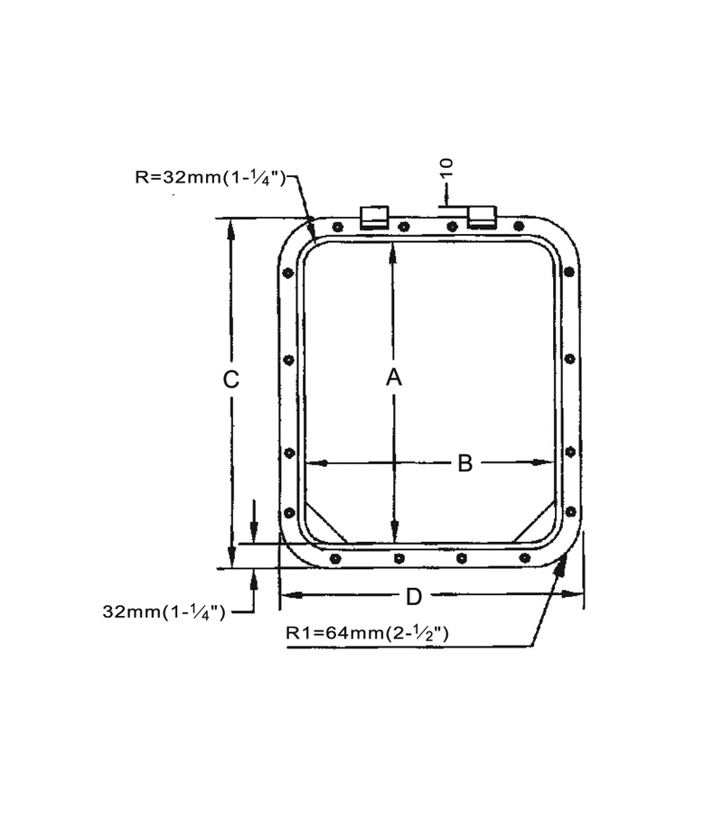
Düşük profilli hatch.
Gri akrilik cam. İçeriden açılımlı tip. 180° açılabilme imkanı. 32 mm yükseklik. Tüm çerçeve ve menteşeler 316 paslanmaz çeliktir. Görünmeyen yüzeylerin paslanmazlığını sağlamak amacıyla elektro polisaj yapılmıştır. Tüm ağır şartlara dayanıklı neopren contası vardır.Ebat (mm)
 
 -: 254x254Montaj Ebadı A
 
: 254 mmMontaj Ebadı B
 
Özellik bulunamadı.

Garanti Bankası

Ay Taksit Toplam
1 37.161,90 37.161,90
2 19.231,24 38.462,48
3 13.057,68 39.173,05
4 9.996,41 39.985,62
5 8.232,74 41.163,69
6 6.968,04 41.808,21
7 6.121,70 42.851,93
8 5.496,99 43.975,89
9 5.022,23 45.200,05

Türkiye İş Bankası

Ay Taksit Toplam
Dosya bulunamadı