Man Ship Economy Serisi ER-30 Yuvarlak Lomboz 276mm. - AISI 316 Paslanmaz Çelik

Döviz kurları anlık olarak TCMB verilerine göre hesaplanmıştır. Euro : 51.9980 Dolar : 43.7820

Marka : Man Ship
Stok Kodu : 34.546.886.571.0004
Üretici Kodu : ER-30
Birim : Adet
20.347,60
19.298,75
Havale / Eft Fiyatı :
18.719,79
Ürün stoklarda mevcut değildir.
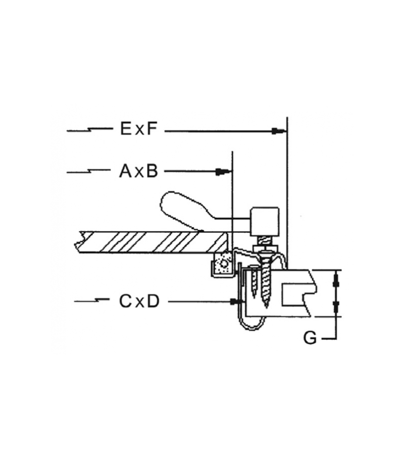
» Yuvarlak ekonomik lumboz. Gri akrilik cam, çerçeve ve menteşeler 316 paslanmaz çeliktir. Uygulanabilir yüzey kalınlığı max: 60 mm, görünmeyen yüzeylerin paslanmazlığını sağlamak amacıyla electro polisaj yapılmıştır.
» Dayanıklı PVC contası vardır
» Model A: 203 mm
» Montaj Boyutu C: 213 mm
» Dıştan Dışa Boyut E: 276 mm
Özellik bulunamadı.

Garanti Bankası

Ay Taksit Toplam
1 19.298,75 19.298,75
2 9.987,09 19.974,17
3 6.781,06 20.343,18
4 5.191,29 20.765,16
5 4.275,39 21.376,94
6 3.618,61 21.711,66
7 3.179,10 22.253,67
8 2.854,67 22.837,37
9 2.608,12 23.473,09

Türkiye İş Bankası

Ay Taksit Toplam
Dosya bulunamadı