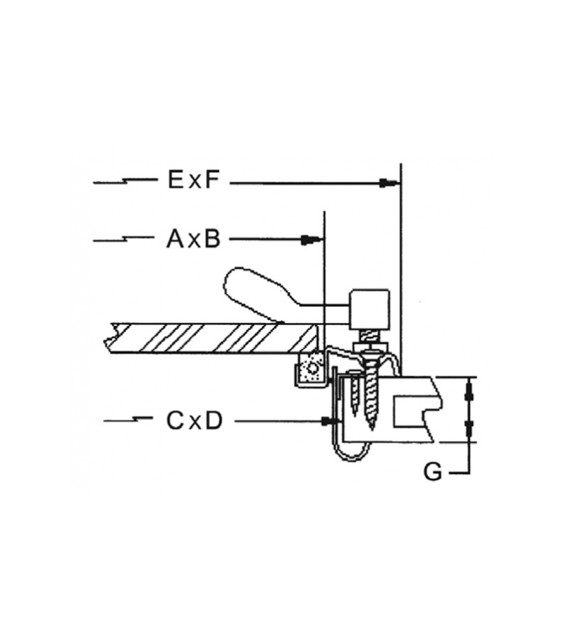
Man Ship Economy Serisi ER-20 Yuvarlak Lomboz 251mm. - AISI 316 Paslanmaz Çelik

Döviz kurları anlık olarak TCMB verilerine göre hesaplanmıştır. Euro : 51.9980 Dolar : 43.7820

Marka : Man Ship
Stok Kodu : 34.546.886.571.0003
Üretici Kodu : ER-20
Birim : Adet
18.789,31
17.820,79
Havale / Eft Fiyatı :
17.286,17
Ürün stoklarda mevcut değildir.
Özellik bulunamadı.

Garanti Bankası

Ay Taksit Toplam
1 17.820,79 17.820,79
2 9.222,24 18.444,48
3 6.261,74 18.785,23
4 4.793,73 19.174,90
5 3.947,97 19.739,83
6 3.341,49 20.048,91
7 2.935,63 20.549,42
8 2.636,05 21.088,41
9 2.408,38 21.675,45

Türkiye İş Bankası

Ay Taksit Toplam
Dosya bulunamadı