Man Ship Economy Serisi ER-10 Yuvarlak Lomboz 225mm. - AISI 316 Paslanmaz Çelik

Döviz kurları anlık olarak TCMB verilerine göre hesaplanmıştır. Euro : 51.9980 Dolar : 43.7820

Marka : Man Ship
Stok Kodu : 34.546.886.571.0002
Üretici Kodu : ER-10
Birim : Adet
17.987,57
17.060,37
Havale / Eft Fiyatı :
16.548,56

Ürünü satın almak için sitemize üye girişi yapmanız gerekiyor.

Üye Ol

Giriş Yap

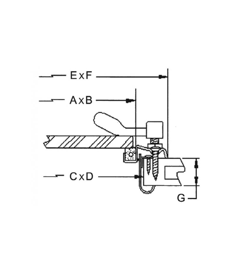
» Yuvarlak ekonomik lumboz. Gri akrilik cam, çerçeve ve menteşeler 316 paslanmaz çeliktir. Uygulanabilir yüzey kalınlığı max: 60 mm, görünmeyen yüzeylerin paslanmazlığını sağlamak amacıyla electro polisaj yapılmıştır.
» Dayanıklı PVC contası vardır
» Model A: 153 mm
» Montaj Boyutu C: 162 mm
» Dıştan Dışa Boyut E: 225 mm
Özellik bulunamadı.

Garanti Bankası

Ay Taksit Toplam
1 17.060,37 17.060,37
2 8.828,73 17.657,45
3 5.994,55 17.983,66
4 4.589,17 18.356,69
5 3.779,50 18.897,52
6 3.198,90 19.193,41
7 2.810,37 19.672,56
8 2.523,57 20.188,56
9 2.305,62 20.750,55

Türkiye İş Bankası

Ay Taksit Toplam
Dosya bulunamadı