Man Ship Economy Serisi EO-60 Oval Lomboz 225x429mm. - AISI 316 Paslanmaz Çelik

Döviz kurları anlık olarak TCMB verilerine göre hesaplanmıştır. Euro : 51.9980 Dolar : 43.7820

Marka : Man Ship
Stok Kodu : 34.546.886.571.0022
Üretici Kodu : EO-60
Birim : Adet
24.577,46
23.310,58
Havale / Eft Fiyatı :
22.611,26
Ürün stoklarda mevcut değildir.
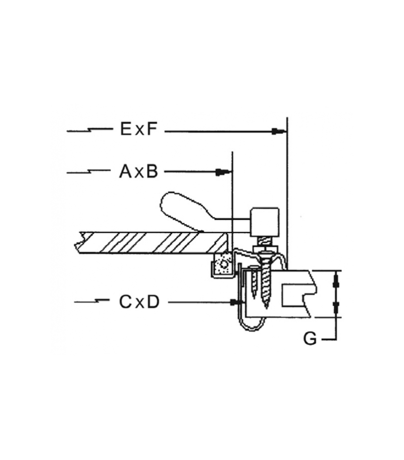
» Elips ekonomik lumboz. Temperli cam, tüm çerçeve ve menteşeler 316 paslanmaz çeliktir. Uygulanabilir yüzey kalınlığı max: 60 mm, görünmeyen yüzeylerin paslanmazlığını sağlamak amacıyla electro polisaj yapılmıştır.
» Dayanıklı PVC contası vardır
» Model AxB: 153x356 mm
» Montaj Boyutu CxD: 162x365 mm
» Dıştan Dışa Boyut ExF: 225x429 mm
Özellik bulunamadı.

Garanti Bankası

Ay Taksit Toplam
1 23.310,58 23.310,58
2 12.063,20 24.126,40
3 8.190,70 24.572,11
4 6.270,46 25.081,82
5 5.164,16 25.820,78
6 4.370,85 26.225,08
7 3.839,97 26.879,77
8 3.448,10 27.584,80
9 3.150,30 28.352,68

Türkiye İş Bankası

Ay Taksit Toplam
Dosya bulunamadı